Part 6 - Bathroom Mirror with mirror Defogger heating
Part 6 - Bathroom Mirror with mirror heating
I have a large bathroom mirror with 2 (engraved) touch sensor ereas, surround LED lights (CCT) and a mirror defogger (220v controlled by a relay).
Table of Contents
Materials
ESP32 NodeMCU board
Relay module 1 channel – contacts 10A/250VAC – coil 5V
a mirror defogger (220v controlled by a relay) installation
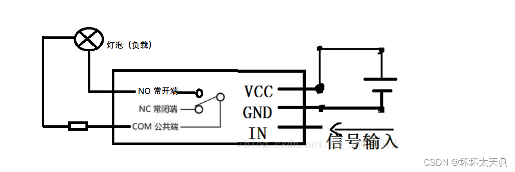
将NodeMcu的D0 <---> 继电器的IN
NodeMcu的VU <---> 继电器VCC (由于继电器需要5V电压, 此端口提供5V电压)
NodeMcu的GND <---> 继电器GND
强电部分连线
火线220V----> 继电器公共端(COM) ----> 常开端(NC) --> 电灯 (除雾膜)<---零线

source:https://chochol.io/wp-content/uploads/2024/01/Add-a-little-bit-of-body-text-768x432.png
Install the code on the board
code
output:
- platform: gpio
pin:
number: GPIO14
mode:
output: "True"
open_drain: "True"
id: relay_1
inverted: true
light:
- platform: binary
name: "Oświetlenie lustra"
output: relay_1
restore_mode: ALWAYS_OFF
id: light_1
Useful links
https://chochol.io/en/smart-home/home-assistant-installing-mirror-lighting-on-esphome/
Comments
Comments are closed